Описание основных узлов и механизмовFiat Linea / Ремонт без извлечения из автомобиля дизельного двигателя / Описание основных узлов и механизмов
Блок цилиндров с основными компонентами коленчатого вала
1 — Вкладыш первого коренного подшипника
2 — Болты крепления крышки коренного подшипника
3 — Крышки коренных подшипников
4 — Вкладыши третьего (упорного) коренного подшипника
5 — Нижние упорные полукольца
6 — Коленчатый вал
7 — Нижние упорные полукольца
Блок цилиндров с компонентами установки коленчатого вала
1 — Сальник
2 — Сегментная шпонка
3 — Установочный штифт
4 — Передняя крышка
5 — Уплотнительная прокладка
6 — Блок цилиндров
7 — Болт
8 — Фланец
9 — Маховик
10 — Задняя крышка
11 — Болт
12 — Держатель заднего сальника
13 — Сальник
14 — Промежуточный вал
15 — Уплотнительное кольцо
16 — Держатель сальника
Шатунно-поршневая сборка
1 — Поршневые кольца
2 — Поршень
3 — Поршневой палец
4 — Стопорные кольца
5 — Шатун
6 — Вкладыши шатунного подшипника
7 — Блок цилиндров
8 — Крышка нижней головки шатуна
9 — Установочный штифт
10 — Масляный жиклер
11 — Болт
12 — Болт
Головка цилиндров с компонентами клапанного механизма и привода ГРМ
1 — Пробка маслозаливной горловины
2 — Уплотнение
3 — Шайба
4 — Гайка
5 — Шайба
6 — Крышка головки цилиндров
7 — Уплотнительная прокладка крышки
8 — Болт крепления головки
9 — Натяжной ролик
10 — Гайка
11 — Планка
12 — Зубчатое колесо распределительного вала
13 — Нижнее уплотнение шпильки крепления головки цилиндров
14 — Трубопроводы высокого давления
15 — Головка цилиндров
16 — Уплотнительная прокладка головки
17 — Свеча накаливания
18 — Форсунка впрыска топлива
19 — Крышка
20 — Зубчатый ремень привода ГРМ
21 — Кожух зубчатого ремня
Компоненты установки распределительного вала и клапанного механизма
1 — Крышки подшипников распределительного вала
2 — Гайка
3 — Распределительный вал
4 — Гидравлический толкатель
5 — Сухари разрезного замка
6 — Тарелка клапанных пружин
7 — Наружная клапанная пружина
8 — Внутренняя клапанная пружина
9 — Маслоотражательный колпачок
10 — Шайба
11 — Направляющая втулка
12 — Сальник
13 — Головка цилиндров
14 — Клапаны
15 — Уплотнение
Боковой разрез головки цилиндров
1 — Канал вихревой камеры
2 — Вихревая камера
3 — Штифт фиксации положения вихревой камеры
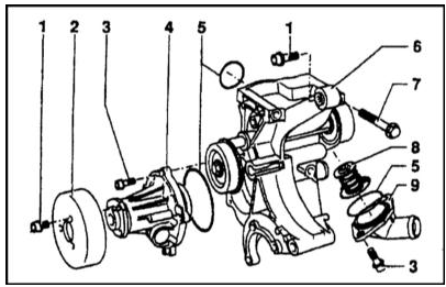
Водяной насос
1 — Болт
2 — Шкив
3 — Болт
4 — Водяной насос
5 — Уплотнительное кольцо
6 — Кронштейн
7 — Регулировочный болт
8 — Термостат
9 — Корпус термостата
Блок цилиндров
В чугунном литье блока проточены отверстия цилиндров и сформированы пять
коренных опор коленчатого вала. Общий вид и порядок установки компонентов блока
цилиндров представлены на иллюстрациях. Крышки коренных подшипников крепятся к
телу блока специальными болтами М10. Третий (средний) коренной подшипник
является упорным, воспринимает возникающие осевые нагрузки и ограничивает
продольный люфт вала.
Коленчатый и промежуточный валы
Коленчатый вал откован из стали. Шейки коренных и шатунных подшипников
подвергнуты тщательной полировке. На передней цапфе вала предусмотрены места под
посадку зубчатого колеса ремня привода ГРМ и уплотнительного сальника первого
коренного подшипника. Помимо коленчатого и распределительного в двигателе
предусмотрен также промежуточный вал, передающий вращение от коленчатого вала к
масляному и вакуумному насосам.
Шатунно-поршневая группа
Кованые шатуны имеют двутавровое сечение и прямой разрез нижней головки. В
верхнюю головку запрессована бронзовая втулка. Нижняя головка разрезана
посередине и укомплектована вкладышами шатунного подшипника. Правильное взаимное
положение крышки шатуна и вкладышей шатунного подшипника обозначено накерненными
метками (А). При установке на двигатель шатун должен разворачиваться метками (В)
вперед. Крышка шатунного подшипника крепится к нижней головке болтами. В
процессе выполнения капитального ремонта принято производить замену болтов
крепления крышек шатунных подшипников.
Поршни отлиты из алюминиевого сплава и имеют плоское днище с выборкой под
вихревой камерой. При установке новых шатунно-поршневых сборок следует проверить
величину выступания поршней над поверхностью блока цилиндров с целью определения
необходимой толщины прокладки. При величине выступания поршней от 0.66 до 0.86
мм устанавливается прокладка с одной меткой. При выступании 0.87 ÷ 0.90 мм - с
двумя, и, наконец, при выступании 0.91 ÷ 1.02 - с тремя. При подборе прокладки
должна проверяться величина выступания каждого из поршней. В качестве отправной
точки берется максимальный результат.
Поршневой палец имеет плавающую посадку. Перед установкой пальца поршень следует
разогреть до температуры 60°С. Фиксация пальца осуществляется посредством двух
стопорных колец.
На стенке поршня выполнены три канавки под установку поршневых колец. В верхние
канавки устанавливаются два компрессионных кольца, в нижнюю - маслосъемное. В
процессе эксплуатации автомобиля допускается расширение зазоров в замках
верхнего компрессионного и маслосъемного колец до величины 1.2 мм, нижнего
компрессионного - 0.6 мм. Максимальный допустимый боковой люфт компрессионных
колец составляет 0.25 мм, маслосъемного - 0.15 мм. При установке на поршень
кольца разворачиваются замками под углом 120°, так чтобы ин один из замков не
оказался на оси поршневого пальца.
Головка цилиндров
Общий вид головки цилиндров с компонентами клапанного механизма представлен на
иллюстрации. Головка крепится к блоку десятью болтами с головками типа TORX.
Порядок затягивания болтов аналогичен описанному для бензинового двигателя 1.6
л.
Крышка головки сажается на шпильки, ввернутые в опоры распределительного вала, и
крепится тремя гайками.
Распределительный вал уложен в пяти опорах и располагается непосредственно над
клапанами. Для привода клапанов используются оборудованные гидрокомпенсаторами
клапанных зазоров толкатели.
Направляющие втулки и седла клапанов запрессованы в головку и относятся к числу
сменных компонентов.
Клапаны установлены вертикально и имеют рядное расположение. Каждый клапан
оснащен двумя пружинами, которые своими нижними торцами упираются в опорную
шайбу, а верхними - в тарелку. Тарелка пружин фиксируется на клапане сухарями
разрезного замка.
Кулачок распределительного вала упирается в толкатель не точно по центру, что
заставляет клапан в процессе движения поворачиваться.
Клапаны подвергаются на заводе-изготовителе специальной обработке и в
дополнительной притирке не нуждаются. В случае обнаружения дефектов клапаны (и
их седла) подлежат замене.
Стальной распределительный вал вращается в пяти подшипниках скольжения, не
оборудованных сменными вкладышами. Привод распределительного вала (и ТНВД)
осуществляется зубчатоременной передачей. Усилие натяжения зубчатого ремня
регулируется автоматически гидравлическим натяжителем. Замена ремня производится
после снятия двигателя с автомобиля. При установке ремня необходимо добиться
совмещения меток на зубчатом колесе коленчатого вала и блоке цилиндров/маховике
и куполе сцепления, а также зубчатом колесе распределительного вала и крышке
ремня, зубчатом колесе ТНВД и посадочном фланце.
В литой крышке головки цилиндров оборудована маслозаливная горловина, оснащенная
герметично закрываемой резьбовой пробкой. Снизу отверстие заливной горловины
закрыто маслоотражателем. Для крепления крышки к головки используются три гайки,
закрытыми снаружи декоративными резиновыми или пластмассовыми пробками.
Водяной насос
Водяной насос по конструкции отличается от используемых на бензиновых
двигателях. Насос устанавливается на кронштейне, к которому крепится корпус
термостата с отводящим патрубком.
Смотрите также
Распределитель зажигания
Компоненты распределителя зажигания
1 — Втулка ротора
2 — Пружина
3 — Противовес центробежного регулятора
4 — Корпус
5 — Мембранный механизм вакуум-корректора
6 — Подшипник
7 — Винт М6х8
8 — ...
ЭЛЕКТРОННАЯ СИСТЕМА УПРАВЛЕНИЯ ТОРМОЗНОЙ
СИСТЕМОЙ - ABS/TCS/BAS/ESP
(ДЛЯ НЕКОТОРЫХ ВАРИАНТОВ ИСПОЛНЕНИЯ АВТОМОБИЛЯ)
Ваш автомобиль может быть оснащен современной электронной системой
управления тормозной системой, которая включает антиблокировочную тормозную
систему (ABS), противобуксовочную систему (TCS), систем ...
Регулировка стояночного тормоза
Для выполнения регулировки понадобится безмен.
ПОРЯДОК ВЫПОЛНЕНИЯ
1. Обычно натяжение приводного троса стояночного тормоза поддерживается в норме
за счет действия автоматических регуляторов ...
