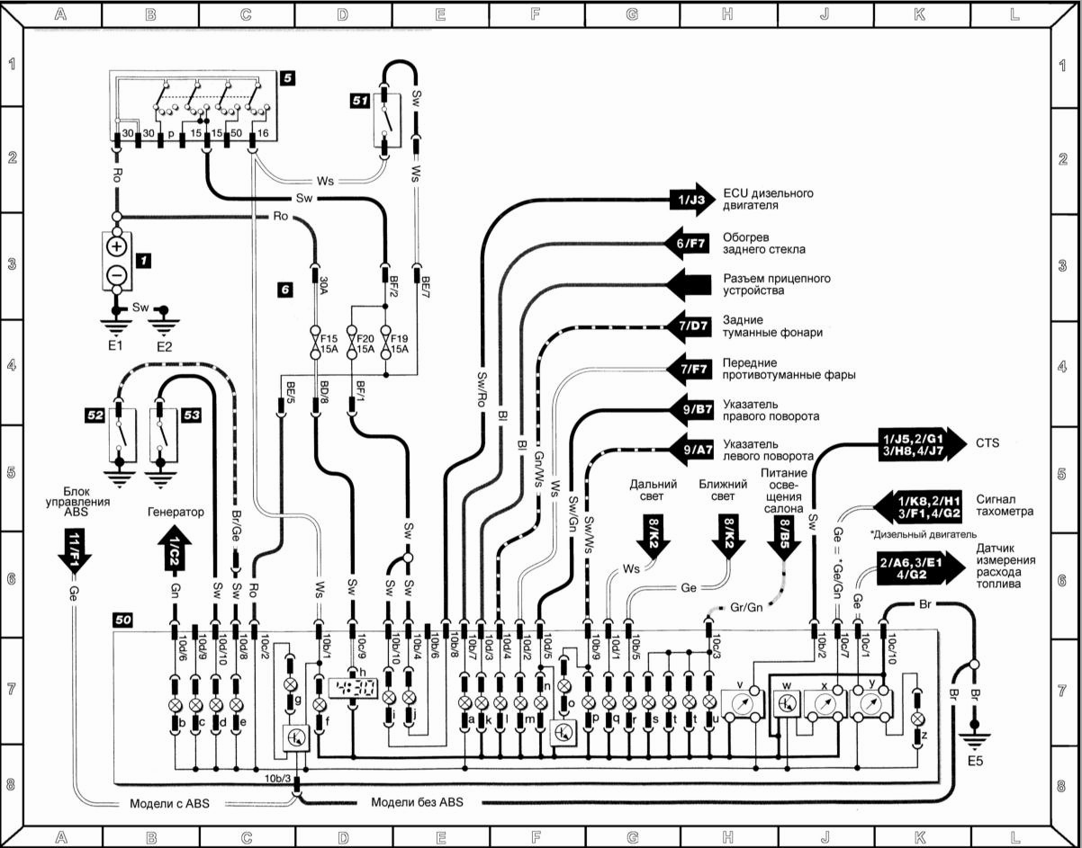
Комбинация приборовFiat Linea / Схемы электрических соединений / Комбинация приборов
Комбинация приборов
Обозначение компонентов
1 — Батарея
5 — Выключатель зажигания
6 — Монтажный блок реле/предохранителей
50 — Комбинация приборов
а = контрольная лампа обогрева заднего стекла
b = контрольная лампа генератора
с = Контрольная лампа системы подушек безопасности
d = контрольная лампа давления масла
е = контрольная лампа стояночного тормоза
f = контрольная лампа падения уровня тормозной жидкости
g = контрольная лампа ABS
h = цифровые часы
i = контрольная лампа системы преднакала
j = контрольная лампа ремней безопасности
k = контрольная лампа прицепа
l = контрольная лампа задних противотуманных фонарей
m = контрольная лампа противотуманных фар
n = указатель правого поворота
о = контрольная лампа аварийной сигнализации
р = указатель левого поворота
q = контрольная лампа дальнего света
r = контрольная лампа ближнего света
s = контрольная лампа габаритных огней
t = подсветка дисплея
u = подсветка цифровых часов
v = измеритель температуры охлаждающей жидкости
w = стабилизатор напряжения
х = счетчик оборотов (только модели GLX)
y = измеритель запаса топлива
z = лампа резерва топлива
51 — Датчик-выключатель уровня тормозной жидкости
52 — Датчик-выключатель стояночного тормоза
53 — Датчик-выключатель давления масла
Смотрите также
Рулевой механизм (без усилителя) - Проверка и регулировка положения рейки
рулевого механизма
Регулировка положения рейки рулевого механизма
1 – картер рулевого механизма;
2 – рейка;
3 – колпачковая гайка;
4 – рулевая тяга;
а = 68,5 мм (рулевое управление без усилителя);
а = 72,5 мм (р ...
Долив жидкости в бачок омывателя
Для работы омывателей ветрового и заднего стекол используется один и тот же
бачок, который расположен в передней части моторного отсека с пассажирской
стороны.
Следует периодически проверять урове ...
Клапан-регулятор давления, расположенный вблизи заднего моста
На моделях выпуска с декабря 1995 г. устанавливается один клапан-регулятор
давления в контурах тормозных механизмов задних колес автомобиля. Конструкция
данного регулятора аналогична таковой для к ...
