Система кондиционирования воздуха - общая информацияFiat Linea / Системы охлаждения, отопления / Система кондиционирования воздуха - общая информация
Схема соединения компонентов системы кондиционирования воздуха
1 — Испаритель
2 — Нижний вентиль для заправки и опорожнения системы
3 — Компрессор
4 — Конденсатор
5 — Термочувствительное реле
6 — Верхний вентиль для заправки и опорожнения системы
7 — Блок клапанов
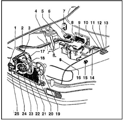
Схема расположения компонентов системы К/В на автомобиле
1 — Термочувствительный датчик-выключатель
2 — Нижний вентиль
3 — Верхний вентиль
4 — Регулятор оборотов
5 — Корпус испарителя
6 — Блок клапанов
7 — Электронный блок
8 — Испаритель
9 — Термочувствительное реле
10 — Реле нагнетателя
11 — Реле компрессора
12 — Реле второго скоростного режима вентилятора
13 — Предохранитель
14 — ECU системы впрыска
15 — Э/м клапан
16 — Датчик температуры
17 — Э/м муфта
18 — Клапан сброса давления
19 — Вентилятор
20 — Конденсатор
21 — Трубопровод
22 — Трубопровод
23 — Компрессор
24 — 2-ступенчатый термочувствительный датчик-выключатель вентилятора системы
охлаждения
25 — Клапан
Система кондиционирования воздуха (К/В) входит в дополнительную комплектацию моделей класса LXi и GLXi бензиновых моделей 1.3 и 1.6 л. Комплектация системой К/В оборудованных дизельным двигателем моделей не представляется возможной. Функциональная схема кондиционера воздуха представлена на иллюстрациях. Компоненты системы К/В производятся в Чехии, Германии и Японии.
Система позволяет снизить температуру и влажность подаваемого в салон воздуха,
что в значительной мере повышает комфортность пребывания в автомобиле водителя и
пассажиров.
Конструктивно испаритель К/В объединен с корпусом отопителя, задняя часть и
заслонки воздухораспределения которого остаются в неизменном виде. В передней
части кожуха установлен испаритель с собственным вентилятором.
В режиме охлаждения К/В работает по тому же принципу, что и бытовой холодильник.
Газообразный хладагент всасывается в приводимый в действие ременной передачей
компрессор и поступает в установленный перед радиатором конденсатор, где отдает
свое тепло, переходя в жидкую фазу. Далее, жидкий хладагент через расширительный
клапан поступает в испаритель, где из находящейся под высоким давлением жидкости
превращается в разреженный газ. Данный фазовый переход сопровождается резким
падением температуры и, соответственно, охлаждением испарителя. Затем хладагент
возвращается в компрессор и цикл повторяется.
Продуваемый через испаритель воздух охлаждается и поступает в сборку отопителя,
где путем смешивания с горячим воздухом, поступающим из теплообменника
последнего, ему придается задаваемая по выбору оператора температура. Полученная
смесь требуемых характеристик (температура и влажность) подается в салон
автомобиля.
В случае необходимости подогрева воздуха в салоне система работает как обычный
отопитель на моделях стандартной комплектации (см. Раздел Система
отопления/вентиляции салона - общая информация).
Компрессор устанавливается в левом переднем углу двигательного отсека, привод
его осуществляется мультиреберным вспомогательным ремнем, одновременно
приводящим в действие и генератор. Регулировка усилия натяжения ремня
производится за счет изменения положения генератора.
Компрессоры производит компании Sanden, присваивающей им обозначение SD7H13.
Максимальная частота вращения компрессора составляет 7000 об/мин. Соединение
приводного вала с валом компрессора осуществляется при помощи электромагнитной
муфты, сглаживающей рывки при включении устройства и обеспечивающей стабильность
функционирования генератора и плавность изменения нагрузки на двигатель.
Объем компрессора составляет 129.2 см 3 . Креп компрессора на двигателе
осуществляется посредством четырех болтов.
Конденсатор К/В устанавливается перед радиатором системы охлаждения двигателя.
Потребляемая мощность вентилятора радиатора составляет 250 Вт.
Термочувствительное реле, получающее информацию от датчика температуры в
термостате, производит отключение компрессора по достижении температурой
охлаждающей жидкости значения 114°С.
Панель управления К/В оборудована двумя переключателями: включения/выключения
системы и регулирования температуры воздуха.
В случае нарушения функционирования системы следует обращаться в
специализированную мастерскую или фирменный сервис-центр компании Skoda.
Смотрите также
Моторное масло
Проверка уровня и заправка моторного масла
Качество используемого моторного масла оказывает существенное
влияние на технические характеристики двигателя, его срок службы
и пусковые качества. Следуе ...
Еженедельные проверки - Проверка состояния ламп осветительных приборов и
предохранителей электрических цепей
- Удостоверьтесь в исправности функционирования всех наружных
осветительных приборов и клаксона. В случае выявления отказов проверьте
состояние электрических цепей (см. соответствующие Разделы ...
Тормозная жидкость/жидкость гидропривода сцепления
Для тормозной системы и гидравлического привода сцепления ис-
пользуется общий бачок.
Проверка уровня жидкости
Проверьте уровень жидкости в бачке.
Уровень жидкости должен находиться между отметк ...
