Снятие и установка маслоохладителя дизельного двигателяLancia Ypsilon / Двигатель / Снятие и установка маслоохладителя дизельного двигателя
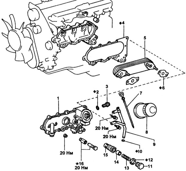
Компоненты сборки маслоохладителя представлены на сопроводительной иллюстрации.
Компоненты установки маслоохладителя
1 — Крышка маслоохладителя
2, 4, 6 — Прокладка
3 — Обратный клапан
5 — Маслоохладитель
7 — Щуп
8 — Фильтр
9 — Трубка щупа
10 — Уплотнение трубки
11 — Пробка
12 — Шайба
13 — Пружина
14 — Предохранительный клапан
15 — Корпус предохранительного клапана
16 — Сливная пробка
ПОРЯДОК ВЫПОЛНЕНИЯ
1. Слейте ОЖ и снимите масляный фильтр
2. Снимите зубчатый ремень и зубчатое колесо ТНВД.
3. Снимите ТНВД.
4. Выньте щуп и снимите его направляющую.
5. Отдайте крепеж и снимите сборку маслоохладителя.
6. При необходимости выверните датчик ECT.
7. Отдайте 4 гайки и отделите крышку от маслоохладителя.
8. Снимите предохранительный и обратный клапаны.
9. Установка производится в обратном порядке. Затягивайте крепеж с требуемым усилием.
Смотрите также
Стоп-сигналы, огни заднего хода, освещение салона, прикуриватель,
контрольной лампы указателей поворотов и аварийной сигнализации
Стоп-сигналы, огни заднего хода, освещение салона, прикуриватель,
контрольной лампы указателей поворотов и аварийной сигнализации
Обозначение компонентов
1 — Батарея
6 — Монтажный блок реле/п ...
Проверка элекромагнитного клапана рециркуляции отработавших газов
ПОРЯДОК ВЫПОЛНЕНИЯ
1. Отсоедините провод от клеммы «-» аккумуляторной батареи.
2. Отсоедините колодку 1 с проводами от
клапана 2 (3 – омметр).
3. Подсоедините к контактам клапана омметр и изме ...
Проверка клапана подогрева топлива
ПОРЯДОК ВЫПОЛНЕНИЯ
1. Отсоедините от клапана 4 (см. рис. Топливный фильтр автомобиля с дизельным
двигателем 1,9 л, 74 кВт) подогрева топлива шланги 1 и 5.
2. Выньте фиксатор 3.
3. Снимите клапа ...
