Cхема электрооборудования автомобиля Skoda Fabia - 46Lancia Musa / Электросхемы / Cхема электрооборудования автомобиля Skoda Fabia - 46
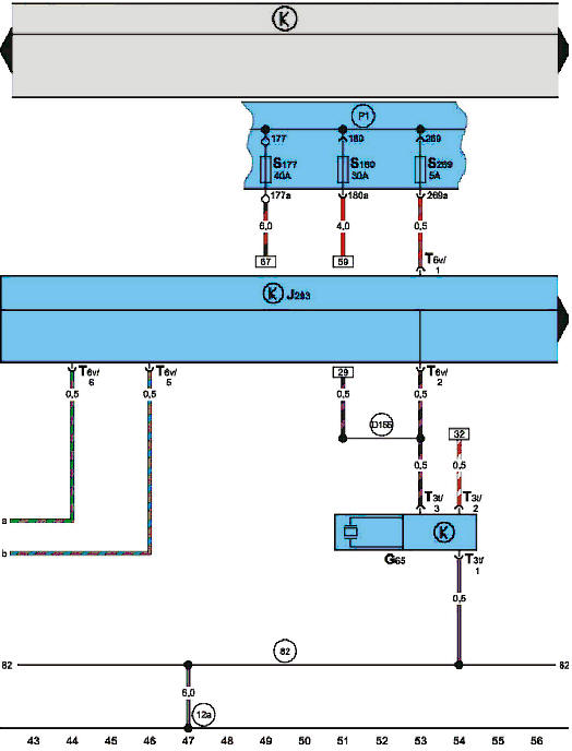
Блок управления дополнительным вентилятором радиатора, датчик давления системы
кондиционирования, блок предохранителей на аккумуляторной батарее (выпуска с
08.99 г.)
Смотрите также
Удаление воздушных пробок из гидравлического тракта системы усиления руля
ПОРЯДОК ВЫПОЛНЕНИЯ
1. Необходимость в проведении данной процедуры возникает только после
отсоединения компонентов гидравлического тракта.
2. Снимите крышку заливной горловины резервуара рулевого ...
Кнопка блокировки клавиш управления стеклоподъемниками
Кнопка блокировки клавиш управления стеклоподъемниками
На водительской двери расположена кнопка, которая
позволяет водителю заблокировать действие всех клавиш
управления стеклоподъемниками, котор ...
Крепление детского сиденья с помощью трехточечных ремней безопасности (с
инерционным механизмом с режимом стандартной/автоматической блокировки при
аварии)
Трехточечные ремни безопасности, установленные на заднем сиденье
автомобиля, можно переключить со стандартного режима блокиров-
ки (ELR) втягивающего механизма на автоматический режим блоки-
ровк ...
