Общая информацияFiat Linea / Система центрального впрыска (SPFI) бензинового двигателя / Общая информация
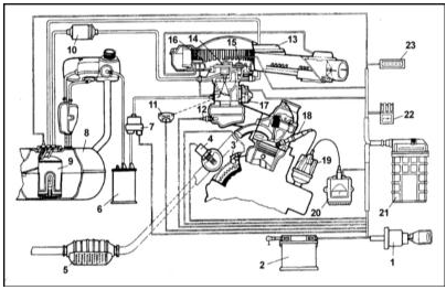
Функциональная схема системы Mono-Motronic
1 — МЗамок зажигания
2 — Аккумуляторная батарея
3 — Датчик частоты и положения коленчатого вала
4 — l-зонд
5 — Каталитический преобразователь
6 — Угольный адсорбер
7 — Э/м клапан системы улавливания топливных испарений
8 — Топливный бак
9 — Электрический топливный насос
10 — Топливный фильтр
11 — Датчик положения дроссельной заслонки
12 Датчик температуры охлаждающей жидкости
13 — Воздухоочиститель
14 — Инжектор впрыска топлива
15 — Регулятор давления топлива
16 — Датчик температуры воздуха
17 — Шаговый двигатель системы холостого хода
18 — Свеча зажигания
19 — Распределитель зажигания
20 — ECU управления зажиганием
21 — ECU системы впрыска
22 — Предохранители и реле
23 — Диагностический разъем
Схема функционирования инжектора впрыска и регулятора давления топлива
1 — Подвод топлива от бензонасоса
2 — Инжектор впрыска
3 — Регулятор давления топлива
4 — Возврат топлива в бак
Система Bosch Mono-Motronic относится к семейству систем управления двигателем замкнутого типа. Такие системы осуществляют управление как непосредственно над впрыском топлива, так и над его воспламенением.
Функциональная схема системы Mono-Motronic представлена на иллюстрации. В число
основных компонентов системы впрыска входят: топливный бак с установленным
внутри него погружным электрическим бензонасосом, топливный фильтр, линии подачи
и возврата топлива, корпус дросселя с вмонтированным в него электронным
инжектором впрыска топлива, а также электронный блок управления (ECU) в
комплекте с информационными датчиками, исполнительными устройствами и
соединительной электропроводкой.
Бензонасос обеспечивает непрерывную подачу топлива через фильтр картриджного
типа в корпус дросселя под небольшим избыточным давлением. Встроенный в корпус
дросселя регулятор давления топлива обеспечивает постоянный напор на инжекторе
впрыска. Избыток горючего по возвратной линии поступает обратно в топливный бак.
Такая система непрерывной подачи позволяет снизить температуру топлива и
предотвратить его испарение.
Открывание и закрывание инжектора производится по команде ECU, вычисляющего
момент и продолжительность впрыска на основании анализа поступающих
информационных сигналов об оборотах двигателя, положении и скорости перемещения
дроссельной заслонки, температуре всасываемого воздуха, температуре охлаждающей
жидкости, скорости движения автомобиля, составе отработавших газов и т.д. На
иллюстрации представлена схема функционирования инжектора впрыска и регулятора
давления топлива.
Всасываемый в двигатель воздух проходит через воздухоочиститель, внутрь которого
устанавливается изготовленный из плотной бумаги сменный фильтрующий элемент.
Температура всасываемого воздуха регулируется посредством вакуумного клапана,
установленного внутри впускного рукава воздухоочистителя и позволяющего
смешивать наружный воздух с поступающим через кожух нагревателя, размещенный над
выпускным коллектором. Положением заслонки клапана управляет установленный
внутри воздухоочистителя термочувствительный датчик-выключатель.
Информация об оборотах двигателя поступает в ECU от датчика Холла,
установленного сверху на картере коробки передач и фиксирующего частоту вращения
маховика.
Температура поступающего в корпус дросселя воздуха измеряется датчиком,
установленным непосредственно над инжектором впрыска. Информация поступает в
ECU, который на основе ее анализа определяет текущие потребности двигателя в
отношении момента впрыска и состава воздушно-топливной смеси.
Управление оборотами холостого хода двигателя осуществляется частично
электронным модулем положения дроссельной заслонки, установленным сверху на
корпусе дросселя, а частично - системой зажигания, за счет изменения установок
угла опережения зажигания. Ввиду сказанного необходимость в ручных
корректировках оборотов отпадает и возможность ее конструкцией системы не
предусмотрена. Информация о положении и скорости перемещения дроссельной
заслонки поставляется в ECU специальным датчиком, иногда именуемым также
потенциометром дроссельной заслонки. Датчик расположен на левой стенке корпуса
дросселя.
Содержание кислорода в отработавших газах непрерывно отслеживается ECU через
l-зонд, установленный в переднюю секцию системы выпуска. Анализируя поступающую
информацию, ECU выдает команды на корректировку угла опережения зажигания и
продолжительность впрыска, формируя тем самым оптимальную по составу
воздушно-топливную смесь. В результате, необходимость в ручной корректировке
содержания СО в отработавших газах также отпадает. В стандартную комплектацию
всех рассматриваемых в настоящем Руководстве моделей входит каталитический
преобразователь.
В дополнение к перечисленным функциям, ECU осуществляет управление
функционированием системы улавливания топливных испарений.
Следует заметить, что диагностика отказов системы Bosch Mono-Motronic возможна
лишь при помощи специального электронного считывателя. Диагностический разъем
для подключения считывателя расположен в правой части панели приборов
автомобиля. В случае любых нарушений функционирования системы следует без
промедления обращаться к специалистам фирменного сервис-центра компании Skoda,
которые произведут считывание и расшифровку записанных в блок памяти ECU кодов
выявленных системой самодиагностики неисправностей.
Порядок замены отказавших компонентов системы описан в нижеследующих Разделах
Главы.
Смотрите также
Снятие и установка двери задка и ее упорных штанг
СНЯТИЕ
Дверь задка
ПОРЯДОК ВЫПОЛНЕНИЯ
1. Откройте дверь задка и отсоедините отрицательный провод от батареи.
2. На моделях, оборудованных стоп-сигналами верхнего уровня, снимите
сигналь ...
Снятие и установка главного тормозного цилиндра (ГТЦ)
* Вышедший из строя ГТЦ подлежит замене. Не рекомендуется предпринимать
попытки проведения восстановительного ремонта главного тормозного цилиндра.
Компоненты установки и сборки ГТЦ
ПОРЯДОК ВЫПО ...
Проверка свечей накаливания дизельного двигателя 1,9 л, 47 кВт
ОБЩИЕ СВЕДЕНИЯ
При проверке аккумуляторная батарея должна быть заряжена (минимальное напряжение
батареи 11,5 В).
Свечи можно проверять индикатором напряжения со светодиодом.
ПОРЯДОК ВЫПОЛ ...
